全国统一服务热线
400-610-6025
首 页
爱游戏aiyouxi(中国)
公司概况
证书荣誉
组织结构
业务范围
业绩案例
工艺材料
行业动态
资料下载
爱游戏aiyouxi(中国)
当前位置:
首页
>
图集
>
湿式外包钢加固
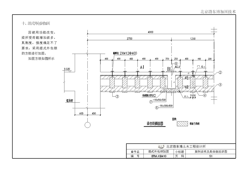
湿式外包钢加固
版权所有:爱游戏官方端网站登录入口
邮箱:jiagu@bodongbo.com
传真:010-64403408
电话:400-610-6025 800-810-6025 010-64403428
地址:北京市朝阳区北苑东路19号院2号楼1206室(中国铁建广场C座)
京ICP备2022035419号-1
开云电子体育_开云(中国)官网
|
安博手机版app
|
九游在线官方官网
|
九游j9官方网站入口
|
开云在线注册
|
安博体育官网
|
爱游戏官方网页版
|
MILAN米兰体育·(中国)官方网站
|
九游在线登录官网
|